
Forum dédié aux énigmes et à toutes formes de jeux de logique. | Déconnexion |
|
Tu n'es pas identifié sur Prise2tete : s'identifier. Accueil
Forum
|
![]() |
#1 - 03-09-2011 12:12:28
Diviseur de fréquence à relais éleectromécaniquesBonjour à tous,
#0 Pub#2 - 03-09-2011 14:15:21#3 - 03-09-2011 14:17:50
diviseur de fréquence à relais électromécaniqued
Et encore plus avec un CD4013 #4 - 03-09-2011 14:54:43
diviszur de fréquence à relais électromécaniquesOù avec des bascules et une porte logique. Enfin je ne peux pas faire cette énigme je n'y connais rien en électromécanique. "L'expérience est une lanterne qui n'éclaire que celui qui la porte." L-F. Céline #5 - 04-09-2011 21:36:52
Diviseur de fréquence à relais électromécaaniquesJe n'ai rien compris au Wikipedia sur les relais électromécanique mais j'ai relevé cette phrase :
Avec des portes logiques, on doit pouvoir créer un inter tel que celui que tu décris... Ca doit être compliqué, mais ça doit être faisable. Podcasts Modern Zeuhl : http://radio-r2r.fr/?p=298 #6 - 04-09-2011 22:16:26
diviseur dz fréquence à relais électromécaniquesLe point de vue des portes logiques est une bonne voie pour y parvenir #7 - 04-09-2011 22:28:38
diviseur de dréquence à relais électromécaniquesTon explication est très claire, et je t'en remercie Podcasts Modern Zeuhl : http://radio-r2r.fr/?p=298 #8 - 05-09-2011 15:55:36
Diviseur de fréquence à relais électromécaniqquesJ'utilise des relais électromécaniques classique à fonctionnement monostable. #9 - 05-09-2011 16:12:36
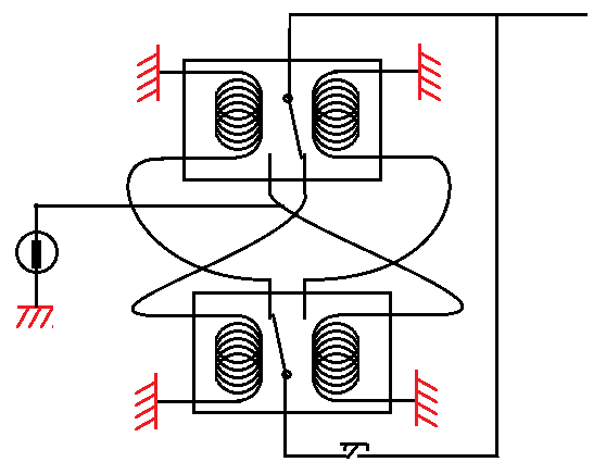
diviseur de fréquence à relais électromécaniquedAh sinon, beaucoup plus simple; avec 2 relais seulement (mais des relais à 2 bobines). #10 - 05-09-2011 22:08:19
Diviseur de fréquence à relasi électromécaniquesAvec un petit schema c'est mieux. #11 - 05-09-2011 22:43:41
Diviseur de fréquence à relais électromécanniques@scarta, #12 - 06-09-2011 08:58:11
Diviseur de fréquence à relais électtromécaniquesRemplace l'interrupteur par un bloc composé de l'interrupteur lui-même, ainsi que d'un autre relais à 2 bobines. #13 - 16-09-2011 22:04:27
iDviseur de fréquence à relais électromécaniquesA une époque qui n'est pas aussi ancienne que cela existaient des systèmes dits de TC-TK (pour télécommande-télécontrôle) entièrement à relais. Dans ce système on utilisait exclusivement des relais, car l'électronique était peu répandue. Dans de tels systèmes on réalisait des compteurs binaires par relais bistables: relais à 2 bobines, l'alimentation impulsionnelle d'une bobine basculait l'armature dans l'une des positions, l'alimentation impulsionnelle de l'autre bobine basculait cette même armature dans l'autre position. L'intérêt d'un tel relais est qu'il conserve son état 0 ou 1 après coupure du courant (mémorisation de l'information). #14 - 17-09-2016 18:34:16
Diviseur de fréquence à relais électormécaniquesBonjour à tous, Réponse rapideSujets similaires
Mots clés des moteurs de recherche |
![]() | ||||||||||||||||||||||||||||||
| Prise2Tete Forum Statistiques Liste des membres Hall of Fame Contact | ||||||||||||||||||||||||||||||||